مشخصات ماژول کوره القایی 120 وات مدل MINI ZVS
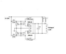
ماژول کوره القایی Mini ZVS یا ZVS Induction Heating Module 120W یک مدار الکترونیکی است که از فناوری نوسان خودکار با ولتاژ صفر (Zero Voltage Switching) برای ایجاد میدان مغناطیسی قوی با فرکانس بالا استفاده میکند.
این میدان مغناطیسی، باعث گرمایش القایی در اجسام فلزی رسانا (مثل آهن، فولاد یا مس) میشود.
کاربردها
کوره القایی کوچک
برای ذوب یا گرمکردن فلزات کوچک (مثل پیچ، سیم، تیغه، یا قطعات فلزی ظریف).
گرمایش القایی صنعتی و آزمایشگاهی
جهت آزمایش خواص مواد رسانا و بررسی رفتار حرارتی فلزات.
جوش و لحیم بدون تماس
استفاده در فرایندهایی که نیاز به گرمکردن نقطهای فلز دارند.
ساخت کورههای کوچک خانگی یا آموزشی
مناسب برای آموزش اصول القا و انرژی الکترومغناطیسی.
پروژههای تحقیقاتی و آموزشی الکترونیک قدرت
برای یادگیری مفاهیم ZVS، مدار رزوناتوری و کلیدزنی نرم.
مزایا
بازده بالا (Efficiency بالا)
به دلیل فناوری ZVS، تلفات انرژی و گرمای تولیدی در ترانزیستورها بسیار کم است.
کارکرد بیصدا و بدون جرقه
چون تماس فیزیکی وجود ندارد، سایش یا جرقه در فرآیند گرمایش رخ نمیدهد.
سازگاری با ولتاژهای مختلف (12 تا 36 ولت)
میتوان با باتری، منبع تغذیه DC یا پنل خورشیدی راهاندازی کرد.
گرمایش سریع و یکنواخت
فلز در مدت کوتاهی به دمای بالا میرسد، بدون نیاز به شعله یا تماس مستقیم.
طول عمر بالا
بهدلیل کارکرد نرم ترانزیستورها و طراحی ساده مدار.
ویژگی ها
توان خروجی: این کوره القایی قادر است توان خروجی 120 وات را تولید کند که برای ذوب فلزات سبک و گرم کردن مواد مختلف کافی است
نصب و راهاندازی آسان: این ماژول معمولاً به گونهای طراحی شده که نصب و راهاندازی آن ساده باشد و نیاز به تخصص آنچنانی نداشته باشد
عملکرد سریع: این ماژول به دلیل استفاده از تکنولوژی القایی، قادر است مواد را به سرعت گرم کند و دما را به سرعت افزایش دهد













دیدگاه ها
هیچ دیدگاهی برای این محصول نوشته نشده است.