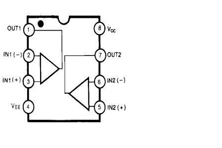
مشخصات آی سی KF353 DIP IC
| نوع: |
آیسی عملیاتی (Operational Amplifier – Op-Amp) دوگانه با ورودی JFET است. |
|---|---|
| تعداد پایه: |
۸ پایه |
| پکیج: |
DIP-8 |
| حداکثر دمای کاری: |
0°C تا +70°C |
| کاربرد: |
تقویتکننده سیگنالهای ضعیف |
IC KF353 یک آیسی عملیاتی دوگانه (Dual Op-Amp) با ورودی JFET است که معمولاً در مدارهای تقویتکننده با امپدانس ورودی بالا استفاده میشود. این IC در پکیج DIP-8 عرضه میشود و مشخصات عمومی آن مشابه IC معروف LF353 است.
مشخصات عمومی KF353
-
نوع: Dual JFET Op-Amp (دو امپاپ عملیاتی با ورودی JFET)
-
پکیج: DIP-8
-
ولتاژ تغذیه: ±3 تا ±18 ولت (تا 36 ولت مجموع)
-
امپدانس ورودی: بسیار بالا (حدود چند مگااهم یا بیشتر)
-
جریان بایاس ورودی: پایین (~50pA)
-
پهنای باند (Gain-Bandwidth): ~3–4 MHz
-
Slew Rate: ~13 V/µs
-
دمای کاری: 0 تا +70 °C
کاربردها
-
تقویتکنندههای دقیق با امپدانس ورودی بالا
-
فیلترهای فعال آنالوگ
-
مدارهای نمونهبرداری و نگهداری (Sample & Hold)
-
تقویتکنندههای سنسور و اندازهگیری
-
ولتاژ تغذیه آیسی KF353 معمولاً به شکل زیر است:
-
ولتاژ تغذیه متقارن (Dual Supply): ±3 ولت تا ±18 ولت
-
حداکثر ولتاژ تغذیه: 36 ولت (مجموع V+ و V−)
-
-












دیدگاه ها
هیچ دیدگاهی برای این محصول نوشته نشده است.