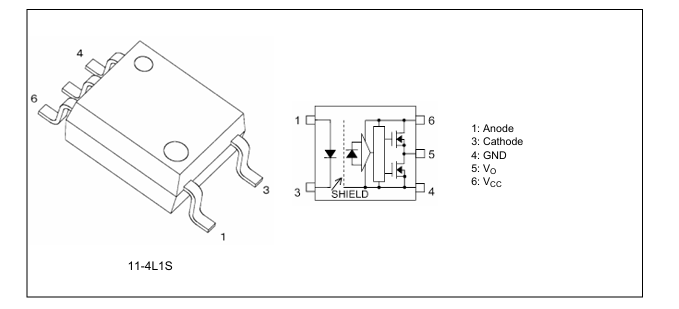
مشخصات آی سی TLP152 SMD IC
| نوع: |
اپتوکوپلر |
|---|---|
| تعداد پایه: |
۵ پایه |
| پکیج: |
SMD |
| ولتاژ تغذیه: |
10 تا 30 ولت |
| حداکثر دمای کاری: |
–40 °C تا +100 °C |
| کاربرد: |
در مدارهای صنعتی، منبع تغذیه، اینورتر |
TLP152 یک فتوکپلر (photocoupler / optoisolator) است: یعنی ورودی آن یک LED مادون‑قرمز است و خروجی آن یک آیسی آشکارساز نور (photo‑IC) است — سیگنال بین ورودی و خروجی بهصورت نوری منتقل میشود، بدون اتصال الکتریکی مستقیم.
کاربردها و موارد استفاده
TLP152 به دلیل ویژگیهایی مثل خروجی توتم‑پول با جریان بالا، ایزولاسیون قوی و سرعت مناسب، برای موارد زیر بسیار مناسب است:
-
رانندگی گیت (Gate driver) برای MOSFETها و IGBTها — وقتی بخواهید با یک سیگنال منطقی از میکروکنترلر یا بخش کمولتاژ، گیت MOSFET/IGBT را با ایزولاسیون کامل کنترل کنید.
-
اینورترها، منابع تغذیه، مدارهای قدرت — جایی که جداسازی بین مدار کنترلی و بخش قدرت مهم است.
-
مدارهای صنعتی، کنترل موتور، درایوها، تبدیل توان — مخصوصاً اگر نیاز به ایزولاسیون، کاهش نویز و سوئیچینگ سریع باشد.












دیدگاه ها
هیچ دیدگاهی برای این محصول نوشته نشده است.