مشخصات UC723L DIP-14
| نوع: |
آیسی رگولاتور ولتاژ قابل تنظیم |
|---|---|
| تعداد پایه: |
14 |
| پکیج: |
DIP-14 |
| ولتاژ تغذیه: |
40 ~ 9.5 ولت |
| حداکثر دمای کاری: |
70+ ~ 0 |
| کاربرد: |
ساخت منبع تغذیه قابل تنظیم |
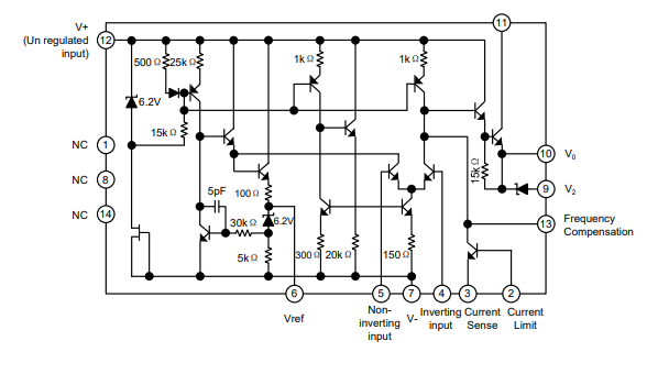
میکروچیپ UC723L (بسته DIP-14) یک آیسی تنظیمکنندهی ولتاژ جامع است که با استانداردهای کلاسیکی مثل LM723/UA723 سازگار است. در ادامه شرح فنی، ویژگیها، کاربردها و نکات طراحی آن آمده است
مشخصات اصلی
ولتاژ کاری ورودی: از تقریباً 9.5 ولت تا حدود 40 ولت.
خروجی قابل تنظیم از حدود 2 ولت تا 37 ولت با مدار کمکی مناسب.
جریان داخلی مصرفی (حالت بیکار) حدود 2.3 تا ~3.5 میلیآمپر (در شرایط مشخص)
جریان خروجی داخلی مستقیم حدود تا 150 mA (بدون استفاده از ترانزیستور خارجی) ؛ اگر ترانزیستور خارجی اضافه شود میتواند جریانهای بیشتر را نیز پشتیبانی کند.
ولتاژ مرجع داخلی ≈ 7.15 ولت (کم و بیش) بین ترمینال مرجع و زمین.
حفاظت در برابر اتصال کوتاه، و محدودیت جریان خروجی داخلی.
کاربردها
-
استفاده به عنوان منبع تغذیه تنظیمشده قابلتنظیم: میتوان با تنظیم مقاومتها، ولتاژ خروجی دلخواه بین ~2 تا ~37 ولت دریافت کرد.
-
مناسب برای طراحی ماژولهای تغذیه با جریان متوسط (مثلاً تا صد میلیآمپر) و یا با افزودن ترانزیستور خارجی، جریان بالاتر.
-
کاربرد در تجهیزات آنالوگ، آزمایشگاهی، بردهای تغذیه، پروژههای DIY و …
-
زیرا مشابه LM723 است، مدارهای طراحیشده برای LM723 معمولاً میتوانند با حداقل تغییر با UC723L کار کنند.












دیدگاه ها
هیچ دیدگاهی برای این محصول نوشته نشده است.