مشخصات 1704LPC44C SMD
| نوع: |
حافظهٔ سریال مخصوص پیکربندی FPGA |
|---|---|
| تعداد پایه: |
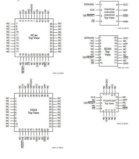
44 |
| پکیج: |
PLCC-44 |
| ولتاژ تغذیه: |
۳٫۳ |
| حداکثر دمای کاری: |
150+ ~ 65_ |
| کاربرد: |
ذخیره و بارگذاری بیتاستریم FPGA |
قطعه XC1704LPC44C (گاه به اشتباه «1704LPC44C SMD» نیز خوانده میشود) یک نوع حافظهٔ پیکربندی (Configuration PROM) از شرکت Xilinx است که برای ذخیره بِیتاستریمهای FPGA طراحی شده است.
در ادامه خلاصهای از مشخصات، کاربردها، نکات استفاده و جایگزینهای احتمالی آوردهام
کاربردها
-
زمانی که برای یک FPGA از خانواده Xilinx نیاز به حافظهای دارید که بیتاستریم آن FPGA را در حالت بوت ذخیره کند و FPGA بتواند از آن بخواند، این قطعه مناسب است.
-
در بردهای طراحی شده با FPGA که قصد دارند بوت سریع یا مستقل از میکروکنترلر داشته باشند، حافظهٔ پیکربندی خارجی ضروریست؛ این قطعه یکی از گزینههاست.
نکات مهم
-
این قطعه احتمالاً از رده خارج (obsolete) شده است یا سختتر بهدست میآید، چرا که در دیتاشیت آمده بعداً تحت «Status: Discontinued» است.
-
چون OTP است، پس از برنامهریزی (بِرن) امکان تغییر مجدد بیتاستریم وجود ندارد؛ اگر نیاز به برنامهریزی مجدد دارید، باید نوع قابل بازنویسی (مثلاً Flash-PROM) استفاده کنید.
-
بسته بندی 44پین ممکن است فضای برد بیشتری نسبت به حافظههای کوچکتر اشغال کند؛ در طراحی PCB باید فضای مناسب و مسیرگذاری SMD در نظر گرفته شود.
-
مطمئن شوید که ولتاژ، سطح سیگنال، و روال بوت FPGA شما با این قطعه هماهنگ است (مثلاً سرعت کلاک، مد Serial یا Parallel، سیگنال CE/CEO و …) همانطور که در دیتاشیت شرح داده شده است.
-
نکات کاربردی و طراحی (چیزهایی که طراح باید بداند)
-
OTP بودن = مراقب باش — اگر نیاز به بهروزرسانی بیتاستریم در فیلد داری، بهتر است از حافظهٔ Flash قابل بازنویسی یا روشهای دیگر استفاده کنی.
-
VPP در زمان خواندن باید به VCC متصل باشد؛ برای فرایند برنامهریزی (برن کردن) پروگرمر، معمولاً ولتاژ برنامهنویسی و ترتیب زمانی خاصی لازم است که در دیتاشیت و نرمافزار پروگرمر تعریف شده است.
-
دایزیچِین کردن برای پیکربندی چند FPGA یا برای FPGAهای خیلی بزرگ (که بیتاستریمشان از ظرفیت یک PROM بیشتر است) پشتیبانی میشود — در دیتاشیت طریقهٔ اتصال CEO/CE و رفتار OE/RESET توضیح داده شده.
-
انتخاب جایگزین/نسخه: نسخههایی مثل XC1704LVQ44C یا دیگر اعضای خانواده XC1700E/EL/L وجود دارند. اگر قطعهی خاص LX/LPC44C در بازار پیدا نشود، باید جایگزین با همان ولتاژ و ظرفیت و پکیج را انتخاب کنی.
-












دیدگاه ها
هیچ دیدگاهی برای این محصول نوشته نشده است.