مشخصات XB8886A SOP-8
| نوع: |
آی سی شارژ |
|---|---|
| تعداد پایه: |
8 |
| پکیج: |
SOP-8-PP |
| ولتاژ تغذیه: |
6 ~ 0.3 ولت |
| حداکثر دمای کاری: |
110+ |
| کاربرد: |
کنترل شارژ باتری |
معرفی کلی
XB8886A یک مدار مجتمع (IC) محافظ باتری از شرکت XySemi Inc. است که برای بستههای باتری تکسلولی لیتیوم-یون یا لیتیوم-پلیمر طراحی شده است.
این قطعه امکانات زیر را دارد:
-
MOSFET قدرت یکپارچه با مقاومت روشن بسیار پایین (~ 8.5 mΩ) برای کنترل شارژ/دشارژ.
-
تشخیص ولتاژ بالا (Over-charge)، ولتاژ پایین (Over-discharge)، جریان زیاد (Over-current)، اتصال کوتاه (Short-circuit) و حفاظت دمایی.
-
جریان مصرف بسیار کم در حالت انتظار (typ ~3 µA) و مد خواب (~1.8 µA) برای حفاظت از باتری در حالت نگهداری.
-
مشخصات کلیدی
چند مشخصه مهم این آیسی عبارتند از:
-
ولتاژ تشخیص شارژ بیش از حد (VCU): تقریباً 4.30 V (حداقل 4.25، حداکثر 4.35) برای سلول لیتیوم-یون.
-
ولتاژ آزادسازی از شارژ بیش از حد (VCL): تقریباً 4.10 V.
-
ولتاژ تشخیص دشارژ بیش از حد (VDL): تقریباً 2.40 V.
-
ولتاژ آزادسازی دشارژ بیش از حد (VDR): تقریباً 3.0 V.
-
جریان تشخیص اول دشارژ بیش از حد (IOV1): مثلاً ~15 A.
-
مقاومت FET روشن: typ ≈ 8.5 mΩ.
-
دمای کارکرد: −40 °C تا +85 °C.
-
کاربرد
این آیسی عمدتاً برای بستههای باتری تکسلولی لیتیوم-یون یا لیتیوم-پلیمر استفاده میشود، بهویژه در کاربردهایی که فضا محدود است و جریانهای نسبتاً بالا ممکن است وجود داشته باشد (مثلاً پاوربانکها، دستگاههای همراه، ابزارها).
مزایا و نکات طراحی
مزایا:
-
به دلیل یکپارچهسازی MOSFET و مدار حفاظت، تعداد قطعات جانبی کم است — تنها یک خازن خارجی نیاز دارد.
-
جریان مصرف کم در حالت نگهداری، مناسب برای باتریهایی که ممکن است برای مدت طولانی بدون تخلیه استفاده شوند.
-
مقاومت روشن پایین، که به کاهش اتلاف توان و تولید حرارت کمک میکند.
نکات طراحی: -
مسیر جریان (load path) باید تا حد امکان کوتاه و ضخیم باشد تا افت ولتاژ و گرم شدن کاهش یابد.
-
باید شرایط کاری باتری (ولتاژ، جریان، دمای محیط) و مشخصات دادهشده توسط تولیدکننده را رعایت کرد تا از آسیب به IC یا باتری جلوگیری شود.
-
در صورتی که سلول باتری کاملاً خالی (0 V) شده باشد، این IC دارای عملکرد شارژ صفر ولت («0 V battery charging function») است که به برگشت باتری کمک میکند.
-
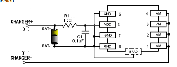
پایهها / پیناوت (پین-دیاسکریپشن)
(نمودار پین در دیتاشیت — توجه: بسته SOP-8-PP با EPAD)
-
پین 1,2,3,4 = VM: مسیر منفی پک باتری (ترمینال منفی که FET داخلی آن را سوئیچ میکند).
-
پین 5,7,8 = GND: زمین (به منفی باتری وصل میشود).
-
پین 6 = VDD: تغذیه داخلی / مانیتورینگ.
-
EPAD (پد بیرونی): باید به GND متصل و از طریق مساحت مسی/پد گراند محکم حرارتی متصل شود.
-
-












دیدگاه ها
هیچ دیدگاهی برای این محصول نوشته نشده است.