مشخصات STS 9012 TO-92
| نوع: |
تقویت سیگنالها و سوئیچینگ جریانهای کم |
|---|---|
| تعداد پایه: |
۳ پایه |
| پکیج: |
TO-92 |
| ولتاژ تغذیه: |
5V |
| حداکثر دمای کاری: |
-55°C تا +150°C |
| کاربرد: |
تقویت سیگنالها |
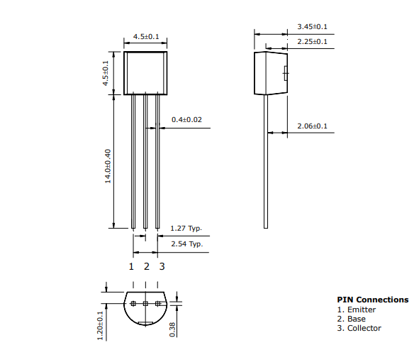
ترانزیستور STS 9012 یک ترانزیستور NPN است که در بستهبندی TO-92 قرار دارد. این نوع ترانزیستور برای تقویت سیگنالها یا سوئیچینگ جریانهای کم در مدارهای الکترونیکی مختلف کاربرد دارد.
این پایهها به ترتیب عبارتند از:
-
پایه اول (Emitter): پایهای که جریان از آن خارج میشود.
-
پایه دوم (Base): پایهای که برای کنترل ترانزیستور و روشن یا خاموش کردن آن استفاده میشود.
-
پایه سوم (Collector): پایهای که جریان وارد آن میشود.
-
ویژگیها:
-
ساختار TO-92: این بستهبندی برای مدارات کمقدرت و اندازههای کوچک طراحی شده است.
-
ضریب تقویت بالا (hFE): این ویژگی باعث میشود که ترانزیستور STS 9012 برای کاربردهایی که به تقویت سیگنال نیاز دارند، بسیار مناسب باشد.
-
کاربردهای عمومی: این ترانزیستور در انواع مختلفی از مدارات، از جمله مدارات تقویتکننده صوت، رادیوهای AM و FM، و مدارات سوئیچینگ استفاده میشود.
-
-












دیدگاه ها
هیچ دیدگاهی برای این محصول نوشته نشده است.