مشخصات RZ7889 SOP-8
| نوع: |
درایور موتور DC تککاناله با قابلیت کنترل دوطرفه (H-Bridge Motor Driver IC) |
|---|---|
| تعداد پایه: |
8 |
| پکیج: |
SOP-8 |
| ولتاژ تغذیه: |
3 تا 15 ولت |
| حداکثر دمای کاری: |
85+ ~ 25_ |
| کاربرد: |
کنترل موتورهای DC کوچک |
معرفی کلی
ایسی RZ7889، ساخت شرکت Wuxi Smart Microelectronics Co., Ltd.، یک درایور موتور تککاناله DC با امکان حرکت دو جهته (bi-directional) است.
این قطعه در پکیج SOP-8 عرضه میشود.
مشخصات اصلی
برخی از ویژگیهای مهم این قطعه عبارتاند از:
-
رنج تغذیه: تقریباً 3 V تا 15 V برای حالت عملکرد عادی.
-
جریان خروجی مداوم: حدود 3 A؛ در شرایط خاص تا ~4.2A مطالعه شده است.
-
جریان اوج (Peak): تا ~5A در بعضی منابع ذکر شده است.
-
محافظتهای داخلی: شامل حفاظت حرارتی (Thermal shutdown)، محدودیت جریان، دیاود داخلی برای بار القایی (inductive load) و مصرف بسیار کم در حالت آمادهبهکار (Stand-by) ≦ 2 µA.
-
محدوده دمای کاری: تقریباً -25 °C تا +85 °C.
-
پکیج: SOP-8.
-
کاربردها
-
درایو موتورهای DC کوچک، رباتیک، اسباببازیها، قفلهای الکترومکانیکی، ولوها و
-
به دلیل امکان کنترل دو جهته، میتواند جهت حرکت موتور را به جلو و عقب تغییر دهد.
-
نکات طراحی و نکات کاربردی
-
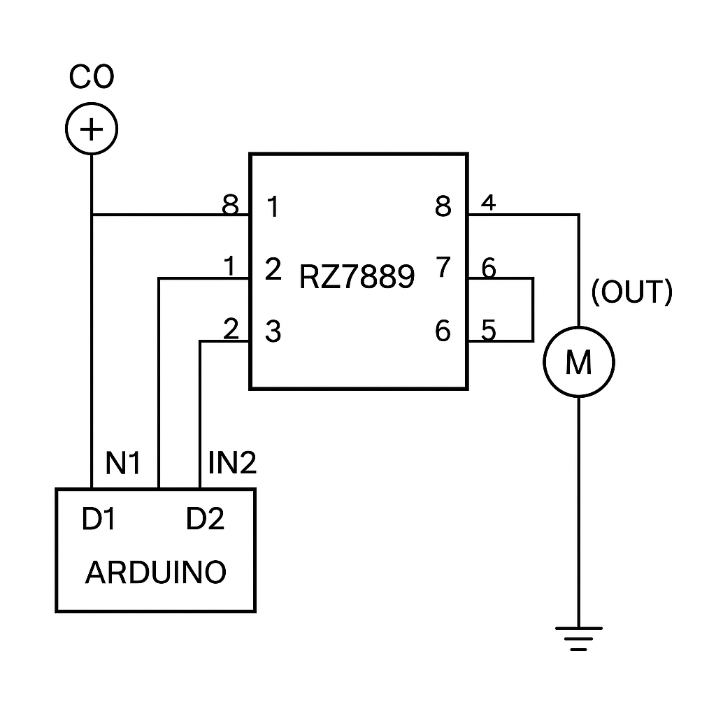
برای استفاده از درایور موتور، لازم است ورودیهای منطقی جهت (Forward / Backward) به درستی تغذیه شوند؛ معمولاً دو پین برای ورود سیگنال هستند.
-
اگر موتور شما جریان بالاتر از 3 A مصرف میکند، باید از قابلیت اوج جریان یا محدودیت جریان قطعه مطلع باشید و تهویه/هدایت حرارتی مناسب برقرار کنید.
-
چون بار موتور معمولاً القایی است، مطمئن شوید که خازنهای بایپس مناسب نزدیک Vcc گذاشته شدهاند و مسیر تزریق نویز کنترل شده است.
-
توجه داشته باشید که منبع تغذیه باید توانایی تأمین جریان موتور را بدون افت ولتاژ مناسب داشته باشد، چون افت ولتاژ زیاد ممکن است باعث عملکرد ناصحیح درایور شود.
-
دقت کنید که پکیج SOP-8 حرارت زیادی تحمل نمیکند؛ اگر جریان بالا است یا محیط گرم است، باید بررسی شود که توان حرارتی از مدار دفع میشود یا خیر.
-

-
-












دیدگاه ها
هیچ دیدگاهی برای این محصول نوشته نشده است.