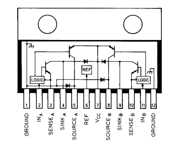
مشخصات آی سی UDN2974W IC
| نوع: |
آیسی درایور قدرت |
|---|---|
| تعداد پایه: |
۱۲ پایه |
| پکیج: |
ZIP-12 |
| ولتاژ تغذیه: |
۴٫۵ ولت تا ۴۰ ولت DC |
| حداکثر دمای کاری: |
–40°C تا +125°C |
| کاربرد: |
کنترل موتورهای DC |
معرفی UDN2974W
UDN2974W یک قطعهی الکترونیکی (IC) از شرکت Allegro MicroSystems است که در دستهی درایورهای قدرت (Power Driver IC) قرار میگیرد. این آیسی برای کنترل و راهاندازی بارهای القایی مانند موتورهای DC و سولونوئیدها (سیمپیچها) طراحی شده و در یک پکیج ZIP-12 عرضه میشود.
ویژگیهای اصلی
سازنده: Allegro MicroSystems
نام قطعه: UDN2974W
نوع: درایور قدرت برای بارهای القایی (Driver IC)
پکیج: ZIP-12
RoHS Compliant: مطابق استاندارد بدون سرب
کاربرد: راهاندازی موتورهای DC، سولونوئید و بارهای القایی مشابه
کاربردهای معمول
موتورهای DC در رباتها و سیستمهای کنترلی
سولونوئیدها در مکانیزمهای مکانیکی
بارهای القایی در پروژههای الکترونیک قدرت
اتوماسیونهای کوچک صنعتی و خانگی












دیدگاه ها
هیچ دیدگاهی برای این محصول نوشته نشده است.